Kant-en-klare producten voor jouw natuurlijke routine..
Wil je op de hoogte blijven van voordeel, (win)acties en aanbevelingen? Zo loop je nooit iets mis! Niet irritant vaak, beloofd.








Wat is Actieve Kool?
Waar komt Actieve Kool vandaan?
Wat maakt Actieve Kool bijzonder?
Hoe wordt Actieve Kool gemaakt?
Hoe werkt Actieve Kool?
Is Actieve Kool gevaarlijk?
Waar kun je Actieve Kool voor gebruiken?
Hoe ziet Actieve Kool eruit?
Hoe kun je Actieve Kool het beste bewaren?
Waar kun je Actieve Kool kopen?
Actieve Kool is een speciaal verwerkte koolstof die door middel van adsorptie allerlei stoffen aan zich kan binden. Bij adsorptie binden de moleculen van een gas of vloeistof zich aan het oppervlak van een vaste stof of vloeistof en bedekken deze daardoor met een laagje. Adsorptie is niet hetzelfde als absorptie. Bij absorptie mengen de moleculen zich met een andere stof waardoor er een mengsel ontstaat.
Door dit bijzondere adsorptie proces is Actieve Kool in staat stoffen van elkaar te scheiden. Zo worden stoffen uit bijvoorbeeld (drink)water gezuiverd met Actieve Kool. Maar ook (gif)stoffen in je lichaam worden gescheiden met behulp van deze koolstof.
Actieve Kool wordt ook wel geactiveerde kool, Activated Charcoal of Activated Carbon genoemd. Deze koolstof is verwerkt en heeft daardoor allerlei bijzondere werkingen die positieve uitkomsten kunnen bieden voor het lichaam.
Om deze reden wordt Actieve Kool vaak toegevoegd aan verschillende cosmetische- en medische producten. Denk hierbij aan mondwater, tandpasta, zepen, shampoos en gezichtsmakers.
Ook het welbekende farmaceutische merk Norit staat erom bekend om vele klachten te verhelpen. De werkende stof in de producten van Norit is Actieve Kool. Deze producten dragen op een natuurlijke manier bij aan een goede darmfunctie.
Actieve Kool kun je ook puur kopen in bijvoorbeeld poedervorm of een capsule.
Actieve Kool maakt al sinds de oudheid deel uit van de geneeskunde. Het wordt al eeuwenlang door verschillende culturen gebruikt om bijvoorbeeld het lichaam te ontgiften. De oude Egyptenaren gebruikten deze bijzondere kool om bacteriën uit hun wonden te verwijderen. Maar ook in China werd het gebruikt om het verteringssysteem te reinigen. Actieve Kool is door deze positieve werking ook in de Westerse geneeskunde terechtgekomen.
Tegenwoordig is Actieve Kool een erkend en bewezen middel om gifstoffen (uit het lichaam) te te verwijderen. In de loop van de jaren zijn er meer toepassingen gevonden om Actieve Kool te gebruiken. Deze toepassingen zullen later in het artikel worden behandeld.
Actieve Kool bestaat uit allerlei microporiën. Dit zijn superkleine poriën die ongewenste substanties in het lichaam vervangen tijdens het purificatieproces (zuiveringsproces). Zo adsorbeert Actieve Kool onder andere chemicaliën, metalen en gifstoffen. Deze bijzondere eigenschap zorgt ervoor dat Actieve Kool een goede ondersteuning biedt bij het ontgiftingsproces van het lichaam.
Maar Actieve Kool heeft ook andere indrukwekkende werkingen wanneer het wordt opgenomen door het lichaam. Zo werkt geactiveerde kool ontstekingsremmend en helpt het bij de vertering van voedsel. Hierdoor kan Actieve Kool helpen om verschillende klachten zoals een opgeblazen gevoel te verhelpen.
Bovendien bevat Actieve Kool allerlei antioxidanten die verschillende voordelen kunnen bieden voor je lichaam. Zo beschermen antioxidanten de weefsels in de cellen tegen vrije radicalen. Vrije radicalen zijn agressieve stoffen die schade kunnen veroorzaken aan weefsels en cellen.
Al deze bijzondere eigenschappen maakt Actieve Kool een effectieve stof om verschillende soorten klachten te voorkomen en te behandelen.
Actieve Kool is bewerkte koolstof. Het is dus niet hetzelfde als houtskool die je zou gebruiken voor een barbecue. Actieve Kool wordt bereid via een thermisch proces waarbij gassen en onzuiverheden uit de kool worden verwijderd.
Je kunt verschillende soorten (vezelhoudende) materialen gebruiken om Actieve Kool te maken. Denk hierbij aan steen- of houtskool. Ook aan organisch materiaal zoals verhitte turf, pindadoppen, rijstschillen, vruchtpitten en kokosschillen kunnen gebruikt worden om Actieve Kool te maken. Actieve Kool dat van steenkool is gemaakt heeft over het algemeen de beste kwaliteit omdat het vergeleken met bijvoorbeeld turf een hoog adsorptie capaciteit heeft.
Om Actieve Kool te maken wordt één van de bovengenoemde producten verkoolt en in een grote oven gestopt waar de kool wordt geactiveerd. Dit gebeurt dus door een thermisch proces waarbij hoge temperaturen tot wel 900 °C aan te pas komen.
De eerste stap van het reactiveringsproces van de koolstof bestaat uit het drogen van het product. Als het product droog is worden vluchtige geadsorbeerde componenten verdampt. Dit gebeurd op een temperatuur van ongeveer 300 °C. Het breken van niet-vluchtige geadsorbeerde componenten worden vernietigd op een temperatuur van 600 °C. Uiteindelijk worden de laatste onnodige stoffen vergast door de koolstof te stomen op een temperatuur van boven de 800 °C. Dit proces zorgt ervoor dat micoporiën ontstaan, de eigenschap die Actieve Kool zo bijzonder maakt.
Afhankelijk van de uiteindelijke toepassing kan de geactiveerde kool nog gewassen worden met zuur of vermalen worden tot poeder.
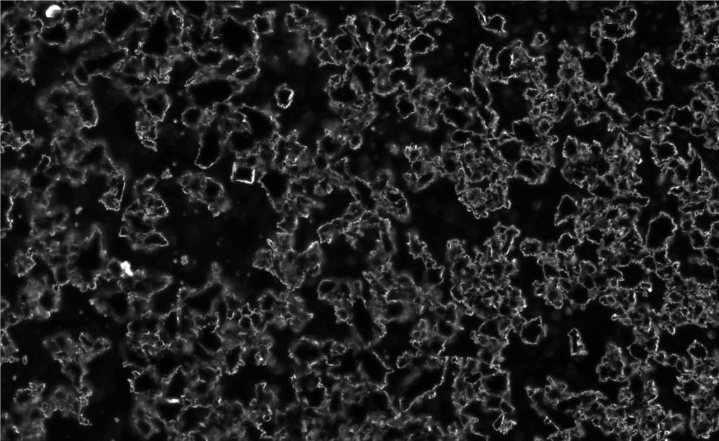
Actieve Kool is in staat (gif)stoffen uit lucht, water of het lichaam te verwijderen. Dit komt door de bijzondere werking van onder andere de fijne microstructuur met ontelbaar veel fijne poriën. Deze fijne structuur is goed te zien op de onderstaande foto.
Actieve kooldeeltjes (koolstofatomen) oefenen een aantrekkingskracht uit op vloeibare of gasvormige deeltjes (moleculen). De sterkte van deze aantrekkingskracht is afhankelijk van de vorm en massa van de moleculen. Doordat niet alle moleculen even sterk worden aangetrokken en vastgehouden worden door de Actieve Kool is het mogelijk om stoffen uit lucht, gas, water of het lichaam te verwijderen.
Op basis van de onder onderzoeken die tot op heden gedaan zijn is gebleken dat Actieve Kool ongevaarlijk is. Wel bestaat er onduidelijkheid over hoe Actieve Kool zich bindt met andere (gezonde) voedingsstoffen. Met name de in water oplosbare vitaminen (zoals vitamine C). Als Actieve Kool zich bindt aan vitamine C heeft het lichaam geen tijd om deze gezonde voedingsstof op te nemen. Hierdoor is het dus nog niet duidelijk of het zin heeft om gezonde smoothies in combinatie met geactiveerde kool te drinken.
Verder is het belangrijk dat je veel water drinkt als je Actieve Kool gebruikt. Zonder extra water kan Actieve Kool je lichaam namelijk uitdrogen. Bovendien helpt het extra water de verwijderde gifstoffen af te voeren.
Als laatst is het belangrijk om Actieve Kool bij een betrouwbare winkel te bestellen. De meest veilige Actieve Kool is gemaakt van kokosschillen of houtsoorten met fijne vezels.
Actieve Kool heeft door de bijzondere adsorberende werking vele positieve uitkomsten voor het lichaam. Hieronder bespreken we zeven verschillenden dingen waar Actieve Kool voor in kan worden gezet.
Actieve Kool staat erom bekend je tanden witter te maken. Geactiveerde kool is namelijk in staat zich te binden aan plak, achtergebleven voedselresten en andere onzuiverheden in je mond. Bovendien verwijdert Actieve Kool tannine. Tannine zijn vlekken die ontstaan door het drinken van koffie, thee of wijn.
Naast het witter maken van je tanden heeft Actieve Kool ook een reinigende werking waarmee je de mondhygiëne op peil houdt. Dit komt doordat geactiveerde kool zich ook bindt aan verontreinigde stoffen die zich in je mond bevinden.
Ook is Actieve Kool in staat de pH-waarde van je mond positief te beïnvloeden. De zuurtegraad in je mond speelt namelijk een belangrijke factor voor het ontstaan van gaatjes, tandvleesontsteking en een slechte adem. Een normale pH-waarde in je mond is 7,1 tot 7,0.
Zoals eerder benoemd is Actieve Kool in staat om gifstoffen uit je lichaam te verwijderen. Dit maakt Actieve Kool een ideaal product om je lichaam mee te reinigen. Ongewenste stoffen zoals chemicaliën en gifstoffen worden verwijderd bij inname van Actieve Kool. Neem met twee grote glazen water 500 mg Actieve Kool in om je lichaam te reinigen.
Actieve Kool ondersteunt de nierfunctie doordat het de hoeveelheid afvalstoffen in je lichaam verminderd. Hierdoor hoeven de nieren minder hard te werken. Dit kan positieve uitkomsten bieden bij mensen waarbij de nierfuncties niet optimaal werken.
Actieve Kool helpt effectief bij de verlaging van het cholesterolgehalte. Dit komt doordat de Actieve Kool zich bindt aan galzuren die cholesterol bevatten voordat het lichaam ze kan opnemen. Uit onderzoek van Pasi Kuusisto is gebleken dat het cholesterolgehalte met 25% daalde in vier weken bij proefpersonen die 24 gram Actieve Kool per dag innamen.
Actieve Kool kan goed helpen tegen een opgeblazen gevoel na een (zware) maaltijd. Dit komt doordat de organische bestanddelen van Actieve Kool zich aan de afvalstoffen binden. Hierdoor is het makkelijker voor je lichaam om de stoffen te scheiden.
Actieve Kool helpt ook bij de vertering van maaltijden die gasvorming veroorzaken. Neem hiervoor één uur voor het eten 500 mg Actieve Kool in met twee glazen water.
Actieve Kool verwijdert niet alleen gifstoffen in je lichaam, maar ook gifstoffen op/in je huid kunnen worden verwerkt met behulp van Actieve Kool. Zeker als je Actieve Kool met oliën mengt kan het goede uitkomsten bieden.
Actieve Kool is namelijk in staat honderden verschillende (gif)stoffen en vuil te absorberen uit je poriën. Met als resultaat dat puistjes, mee-eters en andere onzuiverheden worden behandeld. Bovendien heeft Actieve Kool ook een reinigend effect waardoor de zichtbaarheid van plekjes en littekens worden verminderd.
Als je Actieve Kool wilt aanbrengen op je huid dient het gemengd te worden met bijvoorbeeld kokosolie, een kleimasker of aloë vera gel. Met een kwastje of je vingertoppen kun je het mengsel zachtjes aanbrengen op je huid. Als het na ongeveer 10 minuten is opgedroogd kun je het afspoelen met lauw water. Je zult merken dat je huid zachter aanvoelt en gereinigd is.
Actieve Kool heeft een neutrale geur en is pikzwart. Afhankelijk van hoe de Actieve Kool is verwerkt kan het uiterlijk verschillen. Zo bestaat er Actieve Kool in poedervorm. Deze poeder is zeer fijn. Actieve Kool is ook verkrijgbaar in de vorm van capsules. Deze capsules zijn zwart van kleur. Producten zoals tandpasta waar Actieve Kool in is verwerkt zijn zwart van kleur omdat Actieve Kool een sterke pigment heeft.
Actieve Kool in poedervorm kun je het beste bewaren in de originele verpakking. Het is namelijk lastig om de Actieve Kool te verplaatsen naar een andere pot. De zwarte poeder komt overal terecht en het kan lastig zijn om weg te poetsen.
Een klein potje Actieve Kool gaat ontzettend lang mee doordat je maar een minimale hoeveelheid nodig hebt. Actieve Kool is over het algemeen minimaal 36 maanden houdbaar als je het niet mengt met andere producten.
Auteur: Aurelie
Actieve Kool is heel makkelijk in gebruik. Zorg eerst dat je je tandenborstel nat maakt en dip deze dan in de kool(poeder). Poets je tanden zoals je altijd doet en vooral op de plekken met de meeste vlekken. Spoel daarna je mond met water en stop hier pas mee wanneer het water een heldere kleur heeft bij het uitspugen. Herhaal het poetsen met actieve kool twee tot drie keer per week voor het beste resultaat.
Je kunt ook Actieve Kool poeder ook als mondwater gebruiken. Dit doe je door wat Actieve Kool poeder met een beetje olie in je mond spoelen voor ongeveer 10 minuten.
Actieve Kool is trouwens geen vervanging voor tandpasta. Dus als jij je gebit gezond wilt houden is het verstandig dat je naast het gebruik van Actieve Kool je tanden ook op de gebruikelijke manier blijft poetsen.
